Banana Pi BPiDuino UNO
Pracujte s rozšiřujícími kartami pro počítače Arduino i na počítačích Banana Pi a Raspberry Pi!
VícePopis
Prodej tohoto produktu byl ukončen.
Banana Pi BPiDuino UNO
Pracujte s rozšiřujícími kartami pro počítače Arduino i na počítačích Banana Pi a Raspberry Pi!
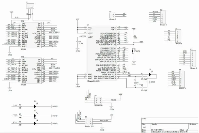
BPiDuino UNO je 26pinovová rozšiřující karta pro počítače Banana Pi a Raspberry Pi. Umožňuje připojení rozšiřujících karet určených pro počítače Arduino Uno (tzv. Arduino Shields). Přístup k periferií Arduina Vám umožní pracovat s dalším příslušenstvím, které nebylo původně určeno pro počítače Banana Pi a Raspberry Pi.
Základem karty je procesor ATmega328, díky kterému Vám s ní budou fungovat i programy napsané originálně pro Arduino Uno a jeho periferie.
Příklady uplatnění
- Automatické řízení
- Zkoumání Arduina
- Ovládání senzorů
- Řídicí jednotka 3D tiskárny
- Řídicí jednotka laserové řezačky
- Řídicí jednotka robota
- Chytrá domácnost
Jak se BPiDuino UNO používá?
Jednoduše kartu BPiDuino UNO nasaďte na počítač Banana Pi, jak je znázorněno na obrázku níže:

Konfigurace pinů

Schéma zapojení

Při zapnutí modulu bliká LED dioda “L”.
Vlastnosti
- Procesor: ATmega328
- Kompatibilní s rozšiřujícími kartamy pro Arduino Uno
- Kompatibilní s programovacím jazykem Processing
- Rozšiřuje SPI Banana Pi
- Port pro připojení Banana Pi: 26pinový
- Kaskádový port Banana Pi
- Pro GPIO Arduino Uno
- Přepínač napěťové úrovně: 3,3V/5V
- SPI
- Port ICSP
- Pracovní napětí: 3,3-4,5 V
- Napětí GPIO: 3,3 V nebo 5,5
- 8x 10bitový kanál s vysokým rozlišením A DC
- Odběr v režim vypnutí: 0,1 µA
- 32K ROM
- 2K RAM
- Provozní teplota: 40 °C až + 85 C
Obsah balení
- 1x Modul Banana Pi BPiDuino UNO
Diskuze
Pouze přihlášení uživatelé, kteří zakoupili tento produkt, mohou přidat hodnocení.
Recenze
Zatím zde nejsou žádné recenze.